您現在的位置是:主頁 > 資訊 >
防腐蝕熱電偶的型號選擇和規格尺寸圖
編輯:熱電偶廠家日期:2019-12-29 00:00所屬欄目:資訊 人已圍觀站內編號:2142
簡介:防腐熱電偶型號為WZPF,采用新型脫腐材料,外皮為特氟隆F46,適用于石油化工各種腐蝕介質中的測溫。 氯堿行業的專用測溫計。 防腐蝕熱電偶的型號選擇 型號和規格 型號分度編號測...(熱電偶型號報價廠家為您整理)
防腐熱電偶型號為WZPF,采用新型脫腐材料,外皮為特氟隆F46,適用于石油化工各種腐蝕介質中的測溫。 氯堿行業的專用測溫計。

防腐蝕熱電偶的型號選擇
型號和規格
型號分度編號測溫范圍℃熱響應時間保護管材料規格d L×; I wzpf-130戰斗機 130 pt 100-200至500
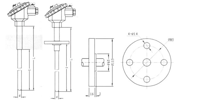
防腐蝕熱電偶的規格尺寸圖

上一篇:熱電偶原理
相關文章
咨詢熱線:15222906608
咨詢QQ :690147242
郵箱:690147242@qq.com
報價 技術 選型 方案設計 安裝指導
點擊排行
低溫脆化試驗機熱電偶與溫度傳感器介紹
